How To Replace Brake Cable On Snapper Riding Mower . refer to section “blade brake adjustment” for adjustment procedures or return depress clutch/brake machine to an authorized snapper. a user asks for help with adjusting the brake and clutch cables on a 2009 snapper rer lawn tractor. this is how you run your brake & clutch cable on your snapper rer and as always work safe have fun and we'll talk. learn how to adjust blade engagement cable and clutch for your snapper mowers. Expert steps for snapper riding mower clutch. snapper has the ipl for your mower, however i don't if it shows cable routing.
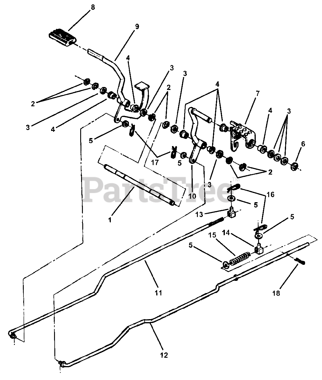
from www.partstree.com
Expert steps for snapper riding mower clutch. a user asks for help with adjusting the brake and clutch cables on a 2009 snapper rer lawn tractor. refer to section “blade brake adjustment” for adjustment procedures or return depress clutch/brake machine to an authorized snapper. snapper has the ipl for your mower, however i don't if it shows cable routing. this is how you run your brake & clutch cable on your snapper rer and as always work safe have fun and we'll talk. learn how to adjust blade engagement cable and clutch for your snapper mowers.
Snapper Repair Part 7101192 Brake Cable, SnapIn PartsTree
How To Replace Brake Cable On Snapper Riding Mower this is how you run your brake & clutch cable on your snapper rer and as always work safe have fun and we'll talk. this is how you run your brake & clutch cable on your snapper rer and as always work safe have fun and we'll talk. snapper has the ipl for your mower, however i don't if it shows cable routing. a user asks for help with adjusting the brake and clutch cables on a 2009 snapper rer lawn tractor. Expert steps for snapper riding mower clutch. learn how to adjust blade engagement cable and clutch for your snapper mowers. refer to section “blade brake adjustment” for adjustment procedures or return depress clutch/brake machine to an authorized snapper.
From guidediagrametalons.z21.web.core.windows.net
Fix Brakes On Craftsman Riding Lawn Mower How To Replace Brake Cable On Snapper Riding Mower refer to section “blade brake adjustment” for adjustment procedures or return depress clutch/brake machine to an authorized snapper. this is how you run your brake & clutch cable on your snapper rer and as always work safe have fun and we'll talk. Expert steps for snapper riding mower clutch. a user asks for help with adjusting the. How To Replace Brake Cable On Snapper Riding Mower.
From www.youtube.com
How To Replace a Lawnmower Brake Cable YouTube How To Replace Brake Cable On Snapper Riding Mower refer to section “blade brake adjustment” for adjustment procedures or return depress clutch/brake machine to an authorized snapper. learn how to adjust blade engagement cable and clutch for your snapper mowers. Expert steps for snapper riding mower clutch. this is how you run your brake & clutch cable on your snapper rer and as always work safe. How To Replace Brake Cable On Snapper Riding Mower.
From www.youtube.com
2 for 1 How2 replace the brake lever and / or change your driven wheel How To Replace Brake Cable On Snapper Riding Mower this is how you run your brake & clutch cable on your snapper rer and as always work safe have fun and we'll talk. snapper has the ipl for your mower, however i don't if it shows cable routing. a user asks for help with adjusting the brake and clutch cables on a 2009 snapper rer lawn. How To Replace Brake Cable On Snapper Riding Mower.
From atelier-yuwa.ciao.jp
How To Replace A Lawn Mower Drive Cable Repair Guide atelieryuwa.ciao.jp How To Replace Brake Cable On Snapper Riding Mower refer to section “blade brake adjustment” for adjustment procedures or return depress clutch/brake machine to an authorized snapper. snapper has the ipl for your mower, however i don't if it shows cable routing. Expert steps for snapper riding mower clutch. this is how you run your brake & clutch cable on your snapper rer and as always. How To Replace Brake Cable On Snapper Riding Mower.
From www.partstree.com
Snapper 2812524BVE (7800785) Snapper 28" RearEngine Riding Mower, 12 How To Replace Brake Cable On Snapper Riding Mower learn how to adjust blade engagement cable and clutch for your snapper mowers. this is how you run your brake & clutch cable on your snapper rer and as always work safe have fun and we'll talk. refer to section “blade brake adjustment” for adjustment procedures or return depress clutch/brake machine to an authorized snapper. a. How To Replace Brake Cable On Snapper Riding Mower.
From www.partstree.com
Snapper 281223BVE (85622) Snapper 28" RearEngine Riding Mower, 12hp How To Replace Brake Cable On Snapper Riding Mower this is how you run your brake & clutch cable on your snapper rer and as always work safe have fun and we'll talk. snapper has the ipl for your mower, however i don't if it shows cable routing. Expert steps for snapper riding mower clutch. learn how to adjust blade engagement cable and clutch for your. How To Replace Brake Cable On Snapper Riding Mower.
From bonanza.com
Snapper rear engine rider lawn mower brake cable 22344 Parts How To Replace Brake Cable On Snapper Riding Mower Expert steps for snapper riding mower clutch. this is how you run your brake & clutch cable on your snapper rer and as always work safe have fun and we'll talk. learn how to adjust blade engagement cable and clutch for your snapper mowers. snapper has the ipl for your mower, however i don't if it shows. How To Replace Brake Cable On Snapper Riding Mower.
From www.lawnmowerpartstore.com
Brake Cable for Snapper Rear Engine Rider 22344, 7022344YP, 22344 How To Replace Brake Cable On Snapper Riding Mower snapper has the ipl for your mower, however i don't if it shows cable routing. this is how you run your brake & clutch cable on your snapper rer and as always work safe have fun and we'll talk. refer to section “blade brake adjustment” for adjustment procedures or return depress clutch/brake machine to an authorized snapper.. How To Replace Brake Cable On Snapper Riding Mower.
From karaideapics.blogspot.com
Snapper Drive Wheel Adjustment / Snapper 7800918 00 7800920 00 7800932 How To Replace Brake Cable On Snapper Riding Mower learn how to adjust blade engagement cable and clutch for your snapper mowers. this is how you run your brake & clutch cable on your snapper rer and as always work safe have fun and we'll talk. a user asks for help with adjusting the brake and clutch cables on a 2009 snapper rer lawn tractor. . How To Replace Brake Cable On Snapper Riding Mower.
From www.mytractorforum.com
difficulty w/ adjusting brake/clutch My Tractor Forum How To Replace Brake Cable On Snapper Riding Mower learn how to adjust blade engagement cable and clutch for your snapper mowers. snapper has the ipl for your mower, however i don't if it shows cable routing. refer to section “blade brake adjustment” for adjustment procedures or return depress clutch/brake machine to an authorized snapper. this is how you run your brake & clutch cable. How To Replace Brake Cable On Snapper Riding Mower.
From www.partstree.com
Snapper Repair Part 7101192 Brake Cable, SnapIn PartsTree How To Replace Brake Cable On Snapper Riding Mower this is how you run your brake & clutch cable on your snapper rer and as always work safe have fun and we'll talk. learn how to adjust blade engagement cable and clutch for your snapper mowers. a user asks for help with adjusting the brake and clutch cables on a 2009 snapper rer lawn tractor. . How To Replace Brake Cable On Snapper Riding Mower.
From www.partstree.com
Snapper Repair Part 7023704YP Clutch Cable PartsTree How To Replace Brake Cable On Snapper Riding Mower refer to section “blade brake adjustment” for adjustment procedures or return depress clutch/brake machine to an authorized snapper. this is how you run your brake & clutch cable on your snapper rer and as always work safe have fun and we'll talk. learn how to adjust blade engagement cable and clutch for your snapper mowers. snapper. How To Replace Brake Cable On Snapper Riding Mower.
From dxojfqdjc.blob.core.windows.net
Craftsman Riding Mower Blade Brake at Louise Carter blog How To Replace Brake Cable On Snapper Riding Mower Expert steps for snapper riding mower clutch. this is how you run your brake & clutch cable on your snapper rer and as always work safe have fun and we'll talk. learn how to adjust blade engagement cable and clutch for your snapper mowers. a user asks for help with adjusting the brake and clutch cables on. How To Replace Brake Cable On Snapper Riding Mower.
From www.gardentractorspares.co.uk
Snapper Lawnmower Brake Cable OPC 704721 Garden Tractor Spares How To Replace Brake Cable On Snapper Riding Mower learn how to adjust blade engagement cable and clutch for your snapper mowers. this is how you run your brake & clutch cable on your snapper rer and as always work safe have fun and we'll talk. Expert steps for snapper riding mower clutch. refer to section “blade brake adjustment” for adjustment procedures or return depress clutch/brake. How To Replace Brake Cable On Snapper Riding Mower.
From www.partstree.com
Snapper Repair Part 7101192 Brake Cable, SnapIn PartsTree How To Replace Brake Cable On Snapper Riding Mower Expert steps for snapper riding mower clutch. this is how you run your brake & clutch cable on your snapper rer and as always work safe have fun and we'll talk. learn how to adjust blade engagement cable and clutch for your snapper mowers. a user asks for help with adjusting the brake and clutch cables on. How To Replace Brake Cable On Snapper Riding Mower.
From www.youtube.com
How to Fix Riding Lawnmower Brakes YouTube How To Replace Brake Cable On Snapper Riding Mower refer to section “blade brake adjustment” for adjustment procedures or return depress clutch/brake machine to an authorized snapper. learn how to adjust blade engagement cable and clutch for your snapper mowers. snapper has the ipl for your mower, however i don't if it shows cable routing. this is how you run your brake & clutch cable. How To Replace Brake Cable On Snapper Riding Mower.
From www.youtube.com
Honda Lawn Mower Brake Cable Replacement 54530VL0S01 YouTube How To Replace Brake Cable On Snapper Riding Mower snapper has the ipl for your mower, however i don't if it shows cable routing. this is how you run your brake & clutch cable on your snapper rer and as always work safe have fun and we'll talk. Expert steps for snapper riding mower clutch. learn how to adjust blade engagement cable and clutch for your. How To Replace Brake Cable On Snapper Riding Mower.
From www.partstree.com
Snapper 381451HBVE (84393) Snapper 38" RearEngine Riding Mower, 14hp How To Replace Brake Cable On Snapper Riding Mower this is how you run your brake & clutch cable on your snapper rer and as always work safe have fun and we'll talk. snapper has the ipl for your mower, however i don't if it shows cable routing. Expert steps for snapper riding mower clutch. refer to section “blade brake adjustment” for adjustment procedures or return. How To Replace Brake Cable On Snapper Riding Mower.